Pakaramais K22201 matēts tērauds
Atpakaļ
Kategorija: Pakaramie
Artikuls: 5908231328540
Informācija
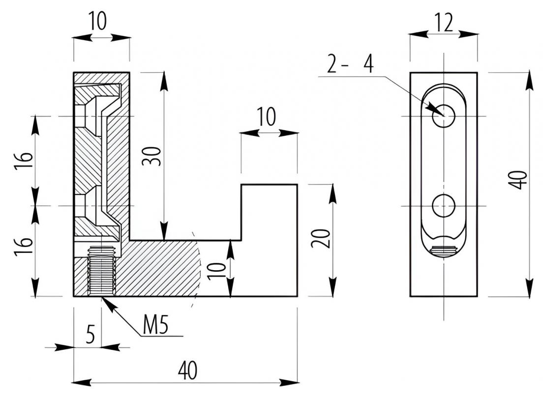
Apraksts
Minimālistisks, oriģināls pakaramais matēta tērauda krāsā ar ģeometrisku formu būs ideāls risinājums daudzu veidu interjeriem. Tas iederēsies vannas istabā, virtuvē, ģērbtuvē, gaitenī, birojā. Vienkāršs, bet ergonomiski veidots pakaramais lieliski pilda savu praktisko funkciju. Pateicoties izsmalcinātajām detaļām un apslēptajām stiprinājuma skrūvēm, tas būs arī pievilcīgs dekoratīvs elements. Izgatavots no alumīnija un cinka sakausējuma. Augstums 40 mm, platums 12 mm, dziļums 40 mm, attālums starp āķiem 20 mm. Komplektā ar montāžas skrūvēm.
Akumulatora instrumenti (35)
